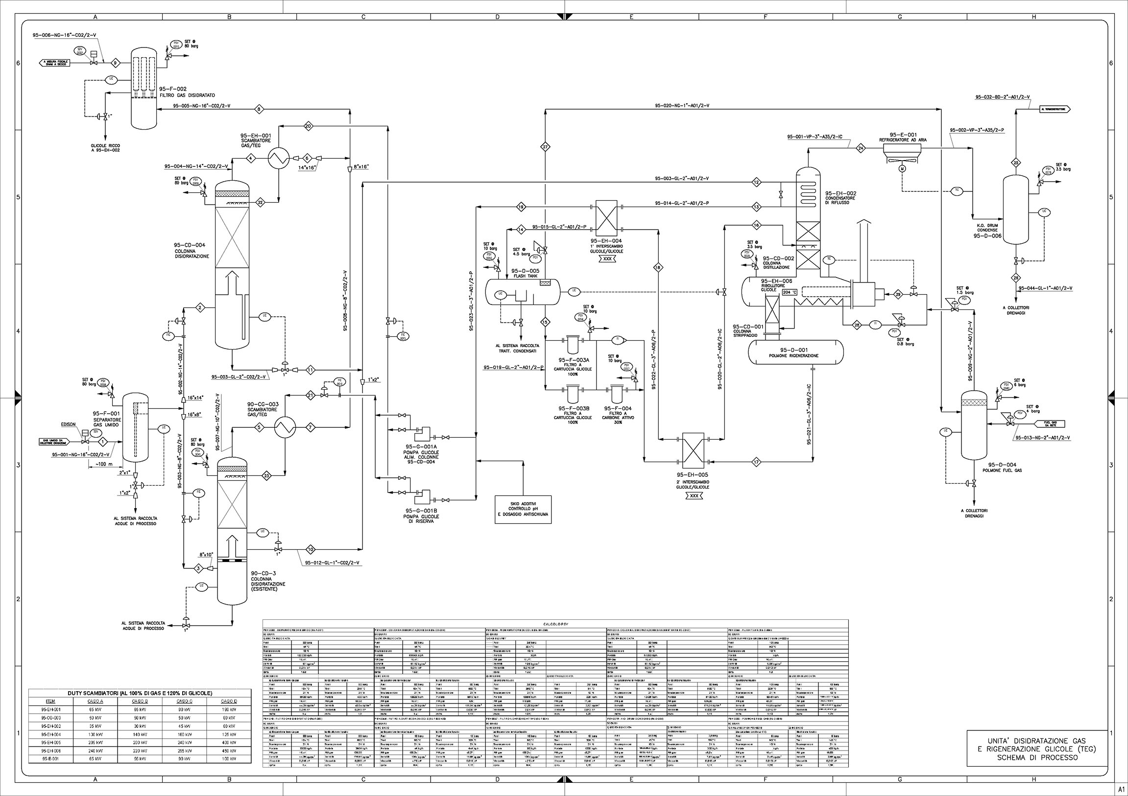
The design and engineering of the “Gas Dehydration & Glycol Regeneration” plants covers an important part of our company’s activities. Our experience has grown through the years working with companies of primary importance in this specific field. We are able to offer a complete package starting from the “Flow Diagram” and “Material Balance” where the process conditions are defined. The choice of the most suitable automation devices, according to the specific requests received from the customer, can be entrusted to us as well as the definition of the instrumentation for monitoring the process, the definition of the electrical panels and the process control panels and heaters.
| COUNTRY | CLIENT | PROJECT | 
|---|---|---|
| Egypt | BURULLUS GAS CO. | Scarab Saffron Develop.– MEG Recovery Unit | 
| Algerie | AGIP ALGERIE ROD | Integration Gas Dehydration | 
| Baharain | TATWEER PETROLEUM | NAG LTFD – Gas Dehydration Unit | 
| Qatar | QATAR PETROLEUM | Dukhan AGR Plant – TEG Regeneration | 
| Qatar | QGPC CORPORATION | Dukhan Field – Main Lift Gas Dehydration | 
| Italy | EDISON S.POTITO | Gas Dehydration DEG & TEG Regeneration | 
| Italy | EDISON GAS COLLALTO | Gas Dehydration & TEG Regeneration | 
| Emirates | TATWEER PETROLEUM | NAG LTF – Gas Dehydration | 









