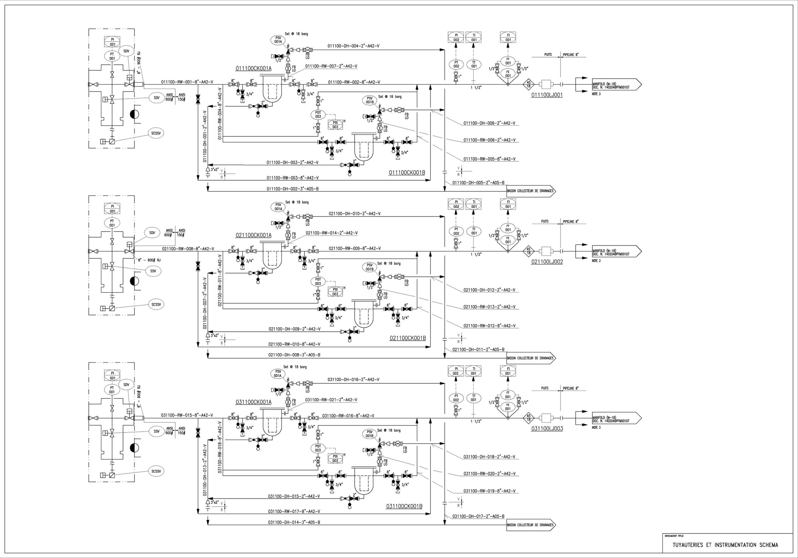
ST2 has collaborated with the largest International main contractors on the field of hydrocarbon extraction. We know the most advanced international standards, regarding wellhead stations, oil and gas separators with flow measurements, pressure reduction and protection stations. We are able to take on assignments for complete projects ranging from the choice of the finest materials, to the development of WHC Panels, Safety Panels and engineering of local equipment room connected to the main remote stations via telemetering system. We are able to carry out projects for stations in areas with risk of explosion choosing ATEX IEC certified equipment and suitable for the most restrictive safety measures.










